Skopiuj do schowka
M08C
Pobierz kartę produktu

Mufa redukcyjna mosiężna

, Mufa redukcyjna mosiężna
, Mufa redukcyjna mosiężna
, Mufa redukcyjna mosiężna
, Mufa redukcyjna mosiężna

Warianty produktu

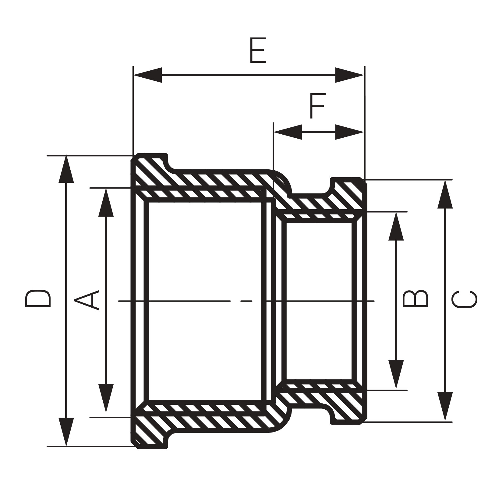
Symbol Wymiar A Wymiar B Wymiar C Wymiar D Wymiar E Wymiar F Przyłącze Cena brutto
M08C G1/2 G3/8 22.5 27 21.5 8.5 G1/2 8,61 PLN
M09C G3/4 G1/2 27 34 26 11.5 G3/4 12,79 PLN

Dane techniczne

Rodzaj przyłączenia: nakrętno-nakrętny
Materiał korpusu/materiał wykonania:
  • mosiądz
Kod kreskowy: opakowanie z kodem kreskowym umożliwiającym sprzedaż detaliczną

Wykończenie

chrom
chrom

Pliki do pobrania

ferro_m08c_pp_01.jpg
ferro_m08c_pp_01.jpg
Zdjęcie główne
JPG / 35.81 KB
Otwórz
Pobierz plik
kdwu_0382625.pdf
Deklaracja
PDF / 1.2 MB
Otwórz
Pobierz plik
pzh_b-bk-60110-0804-2025.pdf
Atest/Certyfikat
PDF / 192.91 KB
Otwórz
Pobierz plik
ferro_m08c_dim_01.jpg
ferro_m08c_dim_01.jpg
Schemat techniczny
JPG / 121.05 KB
Otwórz
Pobierz plik
ferro_katalog_armatura_sanitarna_i_technika_grzewcza_2025.pdf
Katalog/Ulotka
PDF / 121.28 MB
Otwórz
Pobierz plik